PM2.5 PM10传感器
welcome大众彩神更新时间:2026-04-28
产品型号:WX-B2
产品价格:电议
产品品牌:万象环境
welcome大众彩神销售电话:15666889815
销售QQ:1950883583
公司地址:山东省潍坊高新区新城街道玉清社区光电路155号潍坊高新区光电产业加速器(一期)1号楼301
welcome大众彩神更新时间:2026-04-28
产品型号:WX-B2
产品价格:电议
产品品牌:万象环境
一、PM2.5 PM10传感器产品简介
PM2.5 PM10传感器又称PM2.5/PM10二合一传感器,扬尘传感器,PM2.5 PM10传感器是基于激光散射原理,对空气中的颗粒物浓度进行实时监测,适用于疾控中心、卫生监督、环境检测,商场等公共场所可吸入粉尘的自动化检测。
山东万象环境科技有限公司作为专业研发生产气象传感器的企业,一直致力于气象传感器和气象环境解决方案推广应用。具有完整的生产链、实力雄厚的技术团队和全面的营销团队,我们研发生产的传感器已广泛应用到智慧农业、气象监测、城市环境监测、风力发电、航海船舶、航空机场、桥梁隧道等领域,客户遍布全国各地,并取得了良好的社会效益和经济效益。
二、产品特点
welcome大众彩神 1、抗干扰能力强,具有看门狗电路,自动复位功能,保证系统稳定运行
welcome大众彩神 2、高集成度,无移动部件,零磨损
welcome大众彩神 3、免维护,无需现场校准
4、采用ASA工程塑料室外应用常年不变色
welcome大众彩神 5、产品设计输出信号标配为RS485通讯接口(MODBUS协议);可选配232、USB、以太网接口,支持数据实时读取☆
6、可选配无线传输模块,最小传输间隔1分钟
welcome大众彩神 三、技术参数
welcome大众彩神 1、PM2.5:0-1000ug/m3(±10%)
welcome大众彩神 2、PM10:0-1000ug/m3(±10%)
3、功率:0.4W
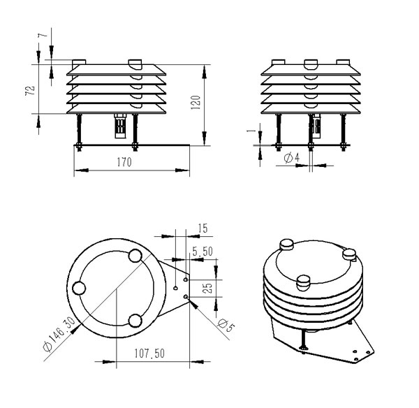
welcome大众彩神 四、产品尺寸图

五、产品结构图

welcome大众彩神小巧却精准:水质电导率传感器的硬核本领
2025-12-11welcome大众彩神全自动值守,50km能见度监测站洞察每一处视觉变化
2026-02-06城市环境监测传感器与智慧路灯是怎么结合的?
2025-02-20welcome大众彩神水质悬浮物传感器:洞察水体细微,守护水质洁净
2026-04-15welcome大众彩神车载气象传感器:移动中的气象感知设备
2025-12-18超声波雪深传感器帮助冬季雪深监测
2024-11-15太阳总辐射检测仪:适用于各类应急气象短期观测、移动气象监测等气象数据的获取
2025-07-18关于我公司网站违禁词、极限词失效说明
2022-11-29负氧离子传感器作用
2024-06-17微型雨量传感器的技术特点
2024-07-25