welcome大众彩神

超声波风速风向仪

致力于气象传感器和气象环境解决方案

超声波风速风向仪_微气象传感器_微型气象仪_能见度传感器

销售电话:15666889815

气象传感器

产品中心

product center
联系我们
山东万象环境科技有限公司

山东万象环境科技有限公司

销售电话:15666889815

销售QQ:1950883583

welcome大众彩神公司地址:山东省潍坊高新区新城街道玉清社区光电路155号潍坊高新区光电产业加速器(一期)1号楼301

空气质量传感器

空气质量传感器

更新时间:2026-04-28

产品型号:WX-WQX8

产品价格:电议

产品品牌:万象环境

空气质量传感器又称智慧路灯环境传感器,八要素微气象仪,空气质量传感器可以用于检测空气环境中的PM2.5、PM10、二氧化碳、甲醛、温度、湿度、TVOC、O2等参数,广泛应用于楼宇暖通、建筑节能、智能家居等场所。

产品详情

welcome大众彩神一、空气质量传感器产品简介 

空气质量传感器又称智慧路灯环境传感器,八要素微气象仪,空气质量传感器可以用于检测空气环境中的PM2.5、PM10、二氧化碳、甲醛、温度、湿度、TVOC、O2等参数,广泛应用于楼宇暖通、建筑节能、智能家居等场所。 

welcome大众彩神  山东万象环境科技有限公司作为专业研发生产销售微型气象仪的企业,一直致力于微型气象仪和气象环境解决方案推广应用。具有完整的生产链、实力雄厚的技术团队和全面的营销团队,我们研发生产的超声波风速风向仪、五要素微气象仪、六要素微气象仪和小型自动气象站等气象产品,已广泛应用到气象监测、城市环境监测、风力发电、航海船舶、航空机场、桥梁隧道等领域,客户遍布全国各地,并取得了良好的社会效益和经济效益。  

welcome大众彩神  与传统的微型气象仪相比,我司产品克服了对高精度计时器的需求,避免了因传感器启动延时、解调电路延时、温度变化而造成的测量不准问题。  

welcome大众彩神WX-WQX8型八要素微气象仪创新性地将气象标准参数(风速、风向、温度、湿度、气压、pm2.5、pm10、噪声)通过一个高集成度结构来实现,可实现户外气象参数24小时连续在线监测,通过数字量通讯接口将八项参数一次性输出给用户。产品结构紧凑,外形美观、大方、高度集成。  

二、产品特点  

welcome大众彩神1、顶盖隐藏式超声波探头,避免雨雪堆积的干扰,避免自然风遮挡  

welcome大众彩神2、原理为发射连续变频超声波信号,通过测量相对相位来检测风速风向  

3、风速、风向、温度、湿度、气压、pm2.5、pm10、噪声八要素一体式  

4、采用先进的传感技术,实时测量,无启动风速☆  

5、抗干扰能力强,具有看门狗电路,自动复位功能,保证系统稳定运行  

6、高集成度,无移动部件,零磨损  

welcome大众彩神7、免维护,无需现场校准  

welcome大众彩神8、采用ASA工程塑料室外应用常年不变色  

welcome大众彩神9、产品设计输出信号标配为RS485通讯接口(MODBUS协议);可选配232、USB、以太网接口,支持数据实时读取☆  

10、可选配无线传输模块,最小传输间隔1分钟  

welcome大众彩神11、探头为卡扣式设计,解决了运输、安装过程松动不准的问题☆  

三、技术参数 

1.风速(标配):量程:0~60m/s;分辨率0.01m/s;精度:±0.1m/s(北京市气象局校准证书)☆  

2.风向(标配):量程:0~360°;分辨率:1°;精度:±2°(北京市气象局校准证书)☆  

3.空气温度(标配):量程:-40-60℃;分辨率0.01℃;精度:±0.3℃(25℃)(北京市气象局校准证书)☆  

4.空气湿度(标配):量程:0-100%RH;分辨率:0.01%RH;精度:±3%RH(北京市气象局校准证书)☆  

welcome大众彩神5.大气压力(标配):量程:30-110Kpa;分辨率0.01Kpa;精度:±0.25%(北京市气象局校准证书)☆  

6.PM2.5(标配):量程:0-1000ug/m³;分辨率1ug/m³;精度:±10%(<500微克)  

welcome大众彩神7.PM10(标配):量程:0-1000ug/m³;分辨率1ug/m³;精度:±10%(<500微克)  

8.噪声(标配):量程:30-120dB;分辨率0.1dB;精度:±1.5dB  

9.其他可选配要素:压电雨量、TSP、一氧化碳、二氧化硫、二氧化氮、臭氧、光照度、光学雨量、总辐射、二氧化碳、氧气含量、硫化氢、氢气、氯气、氨气、氯化氢、氰化氢、氟化氢、磷化氢、二氧化氯、环氧乙烷、一氧化氮、过氧化氢、四氢噻吩、甲醛、VOC、催化燃烧可燃气  

welcome大众彩神9.功率:0.72W  

10.生产企业具有ISO质量管理体系、环境管理体系、职业健康管理体系认证☆
11.生产企业具有专利证书和计算机软件注册证书☆
 

12.生产企业为3A级信用企业  



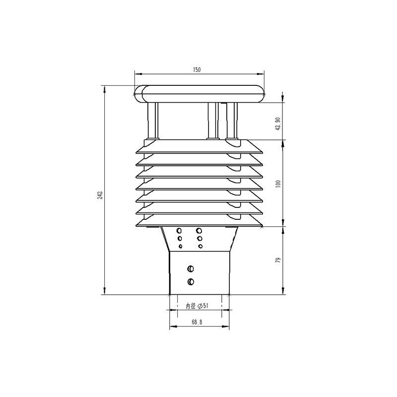
welcome大众彩神四、产品尺寸图  

空气质量传感器  

五、产品结构图  

空气质量传感器  

1、控制电路
2、指北箭头
3、超声波探头
4、百叶箱PM2.5、PM10
5、温度、湿度、噪声、气压监测位置
6、法兰转换头
※此产品可选配电子罗盘功能  


六、产品接线定义  


 

空气质量传感器   


定义  


备注  

VCC  

电源正  

DC12V  

GND  

电源地  


welcome大众彩神485A  

RS485A  


485B  

welcome大众彩神RS485B  



文章地址:http://xiangyue99.com/qxcgq/73.html
2468彩票网 富彩vip登录|首页 U9彩票799cc-u9彩票799绿色-绿色U9彩票旧版-u9彩票799手机版 彩运网888 - 首页 9759彩集团 - 首页 彩运网888 - 首页 新币彩票|登录 98彩票 - 首页